TC4N Manual
1 INTRODUCTION
Thank you for your choosing our equipment to manage and control access to your copier and your privative magnetic cards.
The Cartadis TC4N features three functioning modes using Cartadis magnetic cards on three types of installation :
- copier access control,
- keyboard manual debit of an amount,
- timer mode control of an other equipment. Setting one of above modes is carried out by means of the "mode" parameter accessible from administration menu. The Cartadis TC11N is plant adjusted in "copier" mode (see page 42).
Those magnetic cards may be programed by the person in charge of the copier on the unit itself or sold by the Cartadis DRC4 dispenser/reloader. Choosing the information programed on the card at the time of its recording, leads to its use mode and enables to all the organizations of a company to be adapted (see section 3.3, examples of use).
2 GLOSSARY
ADMINISTRATOR:
Is the owner of the "Administration" card and has access to all CARTADIS TC4N's functions, including card recording.
PIN CODE:
Is a code composed of four figures which will be requested from user's card owners, should these cards have been recorded with such a protection code.
ACCOUNT:
Is an area in TC4N 's memory containing the number of copies made by the user(s) of a card allocated an account number. TC4N's memory contains 9999 accounts, each one capable of storing a number composed of maximum 7 figures. The number of accounts is limited from 9999 to 4999 in case the automatic revaluation function is activated.
DEPARTMENT:
Is an area in TC4N 's memory containing the number of copies made by the user(s) of a card allocated a department number. TC4N's memory contains 99 departments, each one capable of storing a number composed of maximum 7 figures.
GROUP N°:
Each TC4N has 3 group numbers. All user's cards also have a group n° encoded on their magnetic track. A user's card will be accepted by a TC4N only if it has the same group number as one of its three numbers. In order to modify a group n°, see page 39. In case of need, the number of groups may be increased up to 10, for further information, contact the Cartadis technical department.
SERIAL N°:
Each TC4N has a non-modifiable serial no. The "Administration" card also has a serial n°. The "Administration" card is accepted by one TC4N only, the one which has the same serial n° as the one written on the card.
OPERATOR:
He is the owner of the "Operator's" card. He has access to all account or department management functions but he cannot record users' cards.
TRANSACTION:
A transaction is the succession of the following operations: - Insertion of a user's card, - Taking copies (any quantity), - Recovery of the user's card.
USER:
He is the owner of a user's card. The only operation made accessible to him is taking copies. He has no access to TC4N's programming functions.
VALUE:
This is a number recorded on a user's card. It represents a credit for copies. Each copy made is deducted from this credit.
3 GENERAL PRINCIPLES
3.1. FUNCTIONS (COPIER MODE)
Cartadis TC4N enables you to control access to a copier (of any make) or to a similar unit. It locks the copier out until a user inserts a magnetic card. Once the card has been read and accepted, TC4N displays on the screen the information contained in the card and validates the copier. With each photocopy made, the display is updated to inform the user of the number of copies remaining on his card. Pressing any key on the keyboard will disable the copier, eject the card and update the magnetic track.
TC4N has a special electronic storage, called EEPROM, to ensure retention of information even when the power is off. This memory saves: 9999 accounts, 99 departments, statistics information, copier parameters and prices.
With each Cartadis TC4N, two function cards are supplied (OPERATOR's and ADMINISTRATOR's card).
They give access to the following functions:
- issuing of cards,
- accounts and departments management,
- statistics, - prices setting,
- copier setting,
- TC4N setting
3.2. MAGNETIC CARD DESCRIPTION

The magnetic track of a user's card contains several information fields. Its structure is as follows:
Group n°:
The TC4N's group n° 1 is automatically written on all cards on recording. A card group must be the same as one of the 3 Cartadis TC4N's group numbers in order to be accepted by the unit.
Value :
This field may have any value between 0 and 999 999 (0 and 500 for disposable cards). This value represents a number of units, of copies or an amount of money. This value is reduced each time a copy is being made, and it is re-recorded on the card at the time of ejection. Once it comes down to 0, the copier is automatically disabled, then the card is ejected.
Department :
This field is used on request and may include any department number between 1 and 99. The number of copies applied to this department is saved in TC4N's memory. The number of copies applied to the department can be read out or cleared by means of the functions accessible with the ADMINISTRATION's or OPERATOR's card. Note: The number of copies applied to a department is not written on the card.
Account :
This field is used on request and may feature any account number between 1 and 9999 (or 4999 in case the automatic revaluation function is activated). The number of copies applied to this account is saved in TC4N's memory. The number of copies applied to the account can be read out or cleared by means of the functions accessible with the ADMINISTRATION's or OPERATOR's card.
Note: The number of copies applied to an account is not written on the card.
Pin Code :
This field is used on request. If used, it consists of a pin code which has to be entered after card insertion, in order to enable the copier. A pin code is always expressed in four figures, with significant leading zeros.
The life time of a reloadable magnetic card depends on the number of transactions it has carried out. These are counted by each card. If this number is over 3000, then it won't be possible to record the card again.

The magnetic track of an operator's card only contains a group number.
The OPERATOR's card gives access to a subset of the programming functions. It is accepted by a Cartadis TC4N if one of the three TC4N group number matches the card one. This card is supplied with the unit.

The ADMINISTRATION card gives access to all the programming functions. It is accepted by a Cartadis TC4N with an identical SERIAL number. It acts also as a saving area of TC4N parameters, in case of "memory error" all the main parameters are restored from reading this area. This card is supplied with the unit.
3.3. EXAMPLES OF USE 



3.4. FUNCTIONS (TIMER MODE)
In case Cartadis TC4N runs in "timer" mode, it generally launches an other equipment (games, lighting, etc ...) as soon as a card is being inserted into the reader. The user's card remains inside the Cartadis TC4N as loong as the equipment is used, an interval of time of a set price is deducted from the card. Values of both interval of time and price may be adjusted from administration menu in "Price setup" sub-menu. "Timer" parameter is defined in seconds. This functioning mode requires the use of an external power supply ref. ZALIMTC.
3.5. FUNCTIONS (KEYBOARD MODE)
In "keyboard" mode, Cartadis TC4N is autonomous. It is not connected to an other equipment. Such mode enables an amount entered on the keyboard to be deducted from a Cartadis card. An optional printer may be connected for the printing of a ticket featuring the details of the transaction. This functioning mode requires the use of an external power supply ref. ZALIMTC.
4 TC4N AND ITS USERS
Cartadis TC4N confirms that it is ready for work by displaying the following message: 
Once this message has been displayed, a user's card can be inserted into the copier. A user's card can be protected by a pin code. Such a code is defined when card is being recorded. Inserting a card fitted with a pin code causes the following message to be displayed: 
In this case, the user must input a four digit code on the keyboard. In order for this code to remain secret as long as possible, each character entered is displayed as a star "*". If this code is the same as the one stored when recording the card, then the copier will be enabled and 3 different types of messages can be displayed on the screen.
The selection of the type of message displayed depends on the information supplied at the time the card was recorded.


After the information present on the card has been displayed, CARTADIS TC4N validates the copier. From now on, each copy made will be deducted from the card value (assuming a value has been recorded).
Each copy made will also be added to the account and to the department (assuming the card has been recorded with an account and a department). The number of copies associated to the department is displayed by pressing one of any function keys F1 to F4. Pressing again any function key comes back to the account display.
The copier may be disabled by pressing any key of TC4N, or by allowing the card value to reduce to 0. Whilst the copier is being disabled, an update is made and card is ejected. Note that the number of copies charged to an account is not written on the card but only saved in CARTADIS TC4N's memory.
If a card is of the pure account type, there is no value limitation, hence the copier should be disabled by presssing any key.
In case the value is less than the one of the highest price (among Price 1 to Price 4) the message "value insufficient" is displayed and the card is ejected.
The remaining value of such a card can be transferred to an other one as follows: 
5 TC4N AND ITS ADMINISTRATOR
All Cartadis TC4N programming functions are accessible once the ADMINISTRATION card has been inserted. As previously mentioned, this card contains the serial number of the Cartadis TC4N with which it has been delivered. It can run with one only unit, the unit which contains in its memory a serial number identical with the one written on the magnetic track.
This card normally remains in the possession of the person in charge of the copier and is generally not made available to users.
All Cartadis TC4N functions are organized in "menus" and "submenus". The sequence of these menus is described in a diagram on the next page.
If one of the following parameters is modified, the Cartadis TC4N requires the administration card to save them at exit menu time:
- price 1 (A4 Black and White) and price 2 (A3 Black and White),
- Decimal point,
- End cycle wait, After pulse wait parameters,
- Group1, Language, Automatic ejection delay parameters,
- Functioning mode (copier 1, copier 2 etc ...). 
After a 4 minute inactivity time within the ADMINISTRATION function, Cartadis TC4N automatically leaves this program and reverts to user mode.
5.1. SEQUENCE OF MENUS
All Cartadis TC4N functions are accessible by means of "menus". A "menu" is a set of messages related with management or programming functions. Due to the size of the Cartadis TC4N display (2 lines of 16 characters), only one message can be displayed at a time.
In order to select an element of the menu other than the one displayed, you just need to press keys ( ⭣ ) or ( ⭡ ) to call the next or the previous element to the display. To call the function selected, use the key ( -> ) .
To leave a menu and return to the upper level menu, press key ( <- ).
This key also enables to leave the main ADMINISTRATION and OPERATOR menus and to set Cartadis TC4N back to normal operation.
The key F4 enables to leave immediately the administration function, whatever the current position in the menu.
The function keys F1 to F3 are programmed by default for giving direct access to some functions:
- F1 gives direct access to the record function,
- F2 gives direct access to the Statistics menu,
- F3 gives direct access to the Administration menu.
Above function keys can be re-programmed as follows:
1 - switch to the navigational mode by pressing simultaneously ( E ) and ( 4 ), (the character '*' is displayed on the right side of the screen for reminding that TC4N is in navigational mode).
2 - move inside menu until the function is reached,
3 - press the function key (F1 to F3) to program,
4 - leave the navigational mode by pressing simultaneously ( E ) and ( 4 ) , the character '*' is no longer displayed on the right side of the screen. In addition to the need for moving across the various menus, the Administrator will have to enter numbers, e.g. a value, etc.
In this case, Cartadis TC4N will show that it is waiting for an entry by having its cursor blink
The meaning of the keys will then be as follows :
- keys ( 0 ) to ( 9 ) to enter the digits of the number.
- key ( C ) to cancel the last entered digit.
- key ( E ) to validate the entry of the number.
5.2. ACCOUNTS MANAGEMENT
Accounts management only concerns users of cards programmed with an account number (1 to 9999 if the parameter Auto Revaluation is set to "No", 1 to 4999 if the parameter Auto Revaluation is set to "Yes").
The three following functions are available to the administrator:
- View one or several accounts.
- Reset one or several accounts.
- Lock one or several accounts.
From the main menu, access is given to accounts management submenu as follows:
VIEW ACCOUNTS
This function enables the number of copies or the amount of money charged to one or several accounts to be displayed. This function also enables the status, locked or unlocked, of one account to be read:
Acc 153* 123
(means the account 153 is locked and its value is 123).
Acc 153= 123
(means the account 153 is not locked and its value is 123).
It also displays the total amount of copies in all accounts. The detail of possible screen sequences is as follows:

RESET ONE OR SEVERAL ACCOUNT(S)
This function enables a set of accounts to be reset, this set is defined by the interval between two accounts.
For example :
- Acc 43 -> 562
defines the interval from the account 43 to the account 562 (beginning and end limits included).
- Acc 100 -> 100
defines an interval made of the account 100 only.
The detail of possible screen and keyings relating to this function is as follows:
LOCK UNLOCK ONE OR SEVERAL ACCOUNT(S)
CARTADIS TC4N enables an account to be locked in order to forbid the bearer of any card with a given account number to use the copier. This function is useful in case of loss, since it prevents any person who found the card from operating the copier.
This function applies, as the reset function, to a set of accounts defined by an interval. The detail of screen sequences and keyings relating to this function is as follows:
5.3. DEPARTMENTS MANAGEMENT
Departments management is very similar to accounts management. It also features functions:
- View one or several department(s).
- Reset one or several department(s).
However, you can see that there is no department lock function. From the main menu, you may access the departments management submenu as follows:
VIEW DEPARTMENTS
This function enables the number of copies or the amount of money charged to one or several departments to be displayed. It is very similar to View account function. The detail of possible screen sequences is as follows:


RESET ONE OR SEVERAL DEPARTMENT(S)
This function enables a set of departments to be reset, this set is defined by the interval between two departments. For example:
- Dpt 43 -> 62 defines the interval from the department 43 to the department 62.
- Dpt 100 -> 100 defines an interval made of the department 100 only.

5.4. AUTOMATIC REVALUATION
This function is accessible only if the "Auto revaluation" from TC4N parameters menu is set to Yes. In this configuration, accounts from 1 to 4999 are the only ones usable. This function enables a quota to be registered for each user having a card loaded with an account number. As soon as the card is inserted for the first time, its value will be increased (or replaced) by the quota associated with the account.
For simplifying entries, a quota can be reloaded with a set of accounts without having to enter their value again (sub-menu "Stop/Start reval").
Example :
On a site fitted with several Cartadis TC4N units, one of them can be used as reloading station on which the administrator can program (sub-menu "Reval. value") and will renew (sub-menu "Stop/Start reval") quotas all the months.
At least once a month, each user will have to introduce his card in the reloading station to get his quota.
From the main menu, access is given to "Auto revaluation" submenu as follows:
VIEW REVALUATIONS
This function enables the revaluation status for each account to be displayed, i. e.:
- the revaluation value,
- the record mode: + (Add) or = (Overwrite),
- revaluation applicability: Yes or No.
The mode + (Add) means the revaluation value will be added to the value of the card. The mode = (Overwrite) means the revaluation value will replace the value of the card whatever the old value.
The revaluation applicability to "Yes" means a card will be revaluated right from its next insertion. The revaluation of a card changes the applicability from "Yes" to "No", this method enables a card to be revaluated only once within a period of quota
REVALUATIONS VALUE
This function enables both revaluation value and mode (+ or =) of a set of accounts to be initialized, this set is defined by the interval between two accounts.
The mode + (Add) means the revaluation value will be added to the value of the card.
The mode = (Overwrite) means the revaluation value will replace the value of the card whatever the old value.
The detail of screen sequences and keyings relating to this function is as follows:
REVALUATIONS APPLICATION
This function allows revaluation values for a set of accounts to be enabled, disabled or, possibly, renewed.
The detail of screen sequences and keyings relating to this function is as follows:
5.5. MAGNETIC CARDS RECORDING
The magnetic cards in use are in High Coercitivity technology, i.e. they are not sensitive to magnetic fields in office environments: magnetic clip holder, keys, magnetized scissors, etc. This feature increases the safety of all information contained in the cards.
Two types of cards can be used :
- plastic reloadable cards, (max value 999 999).
- paper disposable cards, (max value 500).
Both of them are initially supplied blank, without any data. They have therefore to first be recorded before use. They are programmed by means of the recording function described in this section. It is also possible to re-record a reloadable card once its value has come down to 0 or a value has to be changed, on the contrary it is not possible to re-record a disposable card. Cartadis TC4N's reliability depends to a large extent on the good physical condition of the cards in use. Therefore, reloadable cards with a worn-out magnetic track, i.e. with their plastic surface protection deeply scratched, should not be re-recorded. In order to be protected against such re-recording, Cartadis TC4N checks that they have not carried out more than 3 000 transactions.
In Section "3.2. Description of cards", we saw that a magnetic card is composed of several fields: value, department, account, pin code. The presence or absence of some of these fields will enable the administrator to adapt CARTADIS TC4N operation to his management requirements.
The recording procedure is composed of two steps :
1) Setting up the 4 information fields in TC4N's memory.
2) Recording the card.
The entry screen for information fields is accessible from the main menu as follows:
Each field can be initialized with three types of value :
1) A NUMBER composed of several digits.
2) VOID, which is a keyword meaning that this field is not to be recorded on the track.
3) IDEM, which is a keyword meaning that the information already present on the track must not be changed (this only makes sense when re-recording).
The TC4N display is composed of 4 fields:
- V means Value,
- A means Account,
- D means Department,
- P means Pin code.
The Value field is followed by a character of recording mode. The character "=" records the new value of the card by overwriting the old one, the character "+" adds the current value of the card to the old one.
The Account is followed by a character "+" or "=". The character "+" increases the account number by 1 at each card insertion, the character "=" means that the acccount number is the same for all the cards.
In order to initialize or modify an information field, you first have to select it using the keys ( -> ) and ( <- ) , then request its modification by the key ( C ) .
Information field entry is described in following table: 
Use of keywords VOID and IDEM
Keyword VOID is intended to cancel a field record; for the meaning of the various fields and their influence on management methods, refer to Section 3.2 and 3.3.
Keyword IDEM is intended to make card re-recording easier, since it does not alter the set of information already loaded on the magnetic track.
It is valuable in the following instances:
A set of Value/Account type cards has come down to 0 and you want to reload all these cards to value 1000 without having to enter each card account number all over again. In this case, you just set the Account field on IDEM.
Like the above example, a set of Value/Account type cards has come down to 0, and each card is additionally loaded with a department number and a pin code. In order not to have to re-enter each account and department number, and each pin code, you just set the three Account, Department and Pin code fields on IDEM.
Following table describes as an example the initialization of a Value type card.
With card value set to 1500, this example describes:
- in the first stage, the initialization of Value, Account, Department and Pin code fields, with respectively 1500, Idem, Idem, and Idem,
- in the second stage, the actual recording of this card.

Let us now deal with a second example about recording 10 Value/Account type cards, also loaded with a department number. These cards have value 2000, account 53 to 62 and department 12. In the same way as in previous example, the first stage carries out Value, Account, Department and Pin code fields initialization with respectively 2000, +53, 12 and Void.
The second stage carries out the actual card recording
Entry of the ACCOUNT NUMBER
on the keyboard System flexibility can often be greatly increased by entering an account number via the keyboard rather than having it recorded on a card.
This is often the case in a reprographics department, for example. Simply record a card with the account number "9999". When inserted, the following message will be displayed :
The user must then input an account number between 1 and 9999 (or 4999 if the parameter "Auto revaluation" is set to Yes).
Entry of the DEPARTMENT NUMBER on the keyboard
Just as with account number entry, it is also possible to enter a department number to be debited. The department number "99" is a key value that indicates to TC4N that the keyboard has to be used to enter the department number.
Inserting a card with the department number 99 causes the following message to be displayed:
The user must then input a deparment number between 1 and 99.
You can see that all combinations are possible:
5.6. STATISTICS COUNTERS
Eight counters are available from the main administration or operator menu :
Cop.1 to Cop.4:
These counters represent the number of copies made with magnetic cards. Cop.1 represents the number of A4-size Black and White copies, Cop.2 the number of A3-size Black and White copies, Cop.3 represents the number of A4-size colour copies. and Cop.4 the number of A3-size colour copies.
Deb.: (Debit)
This counter represents the number of units (or amount of money) debited from the cards for all the sizes.
Cred.: (Credit)
This counter represents the number of units (or amount of money) recorded on the cards. It is increased at each card recording.
Transac.: (Transaction)
This counter represents the number of user transactions. A transaction is the succession of the following operations:
- insertion of a user's card,
- taking copies (any quantity),
- recovery of the user's card. It is intended for service purposes, it allows a service intervention to be planned, for example every 20 000 transactions.
Write error:
This counter represents the number of errors occured while writing on a magnetic card. On a unit in good condition this counter must always be at 0. On a site equipped with several TC4N's, it is not always easy for the service engineer to locate a unit with intermittent writing errors. This counter enables him to identify it with certainty and therefore carry out a corrective service on the faulty unit. This counter can be modified, it can for example be reset after service.
The counters "Cop.1 to Cop.4, Deb., Cred., Transac." can't be modified and they evolve as long as the unit is used.
The next page describes the handlings to display these counters from main menu. 
5.7. PRICE SETUP AND MAXIMUM VALUE
Depending on paper size, a price is selected among the prices 1 to 4. It is subtracted from the card at each copy made. Prices families applicable per user's category can be set up, contact the Cartadis technical department for further information.
By default, the prices are:
price 1 = 1 (A4-size Black and White)
price 2 = 2 (A3-size Black and White)
price 3 = 3 (A4-size Colour)
price 4 = 4 (A3-size Colour)
The value of a card represents either a number of copies or a number of units or an amount of money. It's a matter of convention and organization. According to the convention chosen, prices 1 to 4 have to be set up.
In the case of an amount of money, it is possible to display the card value and all the related prices and Debit, Credit counters with a decimal point and two figures behind. The "decimal point" parameter must be set to "Yes" for a displaying with decimal point, or to "No" for a displaying without decimal point.
For safety reasons, cards having a value higher than a given limit may be rejected. This limit is defined by the parameter "MaxVal", its default value is 10 000 units. For deleting this limit and thus having all the cards accepted whatever their value, the value 0 must be entered.
Sites having chosen to load their cards with money and to have therefore prices in currency, a mechanism is intended for the change to the European money: the Euro. If you are concerned, you can get the detailed procedure from the Cartadis technical department. If you are not concerned, you have to make sure that the parameter Euro remains to 0.
The following table describes the handlings to display and modify these values.

5.8. GROUP NUMBER SETUP
The idea of "Group number" enables a set of user's cards to be accepted or rejected from a Cartadis TC4N. The Cartadis TC4N memory stores up to 3 group numbers which can be displayed or modified from the "TC4N parameters" sub-menu (the number of groups can be increased to 10, in case of need, contact the Cartadis technical department).
As we saw page 6, a user's card is always written with the group number 1 of the unit recording the card, from ADMINISTRATION menu. A Cartadis TC4N only accepts a user's card if the card group number matches one of its 3 group numbers. The group numbers of a unit can only be modified by reading the number written on Administration cards. This procedure of high safety protects operators from the use of cards coming from Cartadis units they do not own.
As example, let us take the case of a three TC4N unit installation, with the following serial numbers: 300123, 300124 and 300125. In order for a user's card to operate on any and all of three TC4N, we arbitrarily choose TC4N number 300124 as the reference unit, then we modify the group number 1 of both other units (see following picture).

The group numbers are plant initialized as follows:
These numbers are displayed at each power-up.
Group 1 is quite different to Groups 2 and 3: as Group 1 is always recorded on a user's card with the recording function from ADMINISTRATION menu.
In the majority of cases, Groups 2 and 3 will never be used. It is only necessary to use them when a copier system has to be set up with access organized into a hierarchy.
For example in a school, teachers' cards may be accepted by all the copiers in the school whereas students' cards may not be accepted on those copiers reserved for teachers.
Example of use with 2 hierarchic levels :
Cards issued on the TC4N 300300 or 300301 can be used on all the copiers in the school.
Cards issued on the TC4N 300302 or 300303 can only be used in the students' room.
detail of the operations required to modify the group 1 number of a TC4N 
To modify group 2 or group 3 number you will proceed the same way, see diagram page 18 to locate group 2 or group 3.
5.9. FUNCTIONING MODE
The "Mode" parameter in a Cartadis TC4N for copier machine must always have the value CopierX (where X represents a digit from 1 to 9).
The value "Timer" of this parameter defines a particular functioning mode of time management (Timer mode, see page 12).
The value "Keyboard" of this parameter defines a particular functioning mode of value to be debited from the card, entered on the keyboard (see page 12).
By default, this parameter "Mode" is set to Copier1.
5.10. LANGUAGE
This parameter indicates in which language, the messages are displayed on TC4N screen. At the date of issuing this documentation, the choices available are: Danish, Dutch, English, Finnish, French, German, Greek, Italian, Polish, Portuguese, Spanish and Swedish. In order to view possible languages, strike or after you have requested a modification by (see diagram page 18 to locate the "language" parameter).
5.11. USER'S CARD AUTOMATIC EJECTION
This parameter enables a user's card to be automatically ejected after a certain time has elapsed with no copies having been made. This waiting time is adjustable by steps of 10 seconds. "Automatic Eject" parameter is adjustable between 1 and 99, which means a maximum of 990 seconds. Value 0 has a particular meaning, i.e. there is no automatic ejection. This parameter is plant adjusted to 12, which means 2 minutes (see diagram page 18 to locate "AutoEject" parameter).
5.12. BEEP
This parameter is plant adjusted to Yes. If the parameter "Beep" is set to "Yes": a sound signal is given out every minute as long as a card is waiting for being manually taken out from the reader. If the parameter "Beep" is set to "No": no sound signal.
5.13. NO REBOOT
This parameter is plant adjusted to No.
For the sake of safety reasons, after a 4 minute inactivity time within the Administration menu, Cartadis TC4N automatically leaves this program. This function is valuable in case the Administrator forgets leaving from Administration menu (prevents any user from card reloading). In case it is not wished, example of a TC4N intended to card reloading and located in a safe place, the "No reboot" parameter must be set to value Yes.
5.14. AUTOMATIC REVALUATION PARAMETER
This parameter is plant adjusted to No.
If the parameter "Auto revaluation" is set to "No": the whole of the TC4N memory is used for managing the 9999 users' accounts.
If the parameter "Auto revaluation" is set to "Yes": the TC4N memory is used for managing the 4999 users' accounts and storing the 4999 revaluation values (see page 26).
5.15. EJECT IF ERROR
This parameter is plant adjusted to 0.
It enables a user's card to be locked inside the reader in case of writing error (switching the reader to OFF/ON by an operator enables the card to be ejected).
On the contrary, this parameter represents a time limit (in seconds) from 1 to 99 (i. e. from 1 to 99 seconds) during which the card remains inside the reader in case of writing error. The card is automatically ejected once this time has elapsed.
5.16. BEG. TICKET
This parameter is plant adjusted to an empty string of characters.
This parameter is valuable in case the TC4N runs in "Keyboard" mode. It enables a string of characters to be defined (maximum 20 characters) and to be sent to the printer before ticket printing out. The entry of this string of characters is carried out by entering the ASCII code of every character and by validating with key E.
5.17. END TICKET
This parameter is plant adjusted to an empty string of characters.
This parameter is valuable in case the TC4N runs in "Keyboard" mode. It enables a string of characters to be defined (maximum 20 characters) and to be sent to the printer after ticket printing out. The entry of this string of characters is carried out by entering the ASCII code of every character and by validating with key E. Above parameter is useful for sending to the printer an order for cutting the ticket (for printers featuring a cutter).
5.18. SERVER This parameter is plant adjusted to 0.
Some data processing applications enables a Cartadis TC4N to be controlled from a network. The "Server" parameter enables or disables a connection from a data processing network. The choices available are :
- 0 : means the Cartadis TC4N does not accept connections from the network. It runs in off line mode only.
- 1 : means the Cartadis TC4N accepts connections from the network. It may run in off line mode or on line mode.
- 2 : means the Cartadis TC4N accepts connections from the network. It runs in on line mode only. Cartadis TC4N is not made available to users if there is no connection.
6 TC4N AND ITS OPERATOR
The OPERATOR is a person who owns the operator's card; this person has a restricted view of the TC4N programming functions. The card recording and automatic revaluation functions are inhibited with this card while all others functions are accessible.
An other difference between ADMINISTRATION and OPERATOR's card lies in the acceptance checks carried out by CARTADIS TC4N :
- ADMINISTRATION card is only accepted by the TC4N with which it has been supplied (serial number check).
- OPERATOR's card is accepted by all TC4N bearing the same group number (set of compatible units).
Therefore an operator's card can be safely given to a service technician or other person without fear for card recording.
Functions accessible with operator's card are described on the next page

After a 4 minute inactivity time within the OPERATOR function, Cartadis TC4N automatically leaves this program and reverts to user mode.
If one of the following parameters is modified, Cartadis TC4N requires administration card to saved them at exit menu time:
- price 1 (A4-size Black and White) and price 2 (A3-size Black and White),
- Decimal point, - End cycle wait, After pulse wait parameters,
- Group1, Language, Automatic ejection delay parameters,
- Functioning mode (copier 1, copier 2 etc ...).
In case of modification of one of these parameters without the administration card, the only way to release the Cartadis TC4N from its request "Insert ADMIN card" is to switch power OFF/ON.
Warning! if the administration card is not updated with the modified parameters in case of "memory error" of the unit and restoration of the parameters with the administration card, all the parameters may not be properly restored.
The group number of an OPERATOR card can be modified by duplication of the group number of an other Cartadis TC4N. This facility enables to operate with several OPERATOR cards for the sake of the same group of TC4N.
To overwrite the group number of an operator card with the TC4N group number, proceed as follows :
1 - by means of the Administration card, go to "record" menu item,
2 - set a dummy value to record,
3 - insert the operation card.
7 USE of PRINTER
CARTADIS TC4N is equipped with a printer output via an eight pin DIN plug located on the right side of the unit.
CARTADIS TC4N automatically detects the presence of the printer and prints all required information at the right moment.
In order to print the information generated by accounts or departments management, or statistics counters, follow the procedure below :
1 - Connect printer to TC4N's DIN plug
2 - Switch on printer.
3 - Call required information as you would for screen display

8 COMPATIBILITY with CARTADIS EQUIPMENT
CARTADIS TC4N compatibility with former generations of magnetic card equipments is limited. Below is the description of possible compatibilities with units having the same group number.
Compatibility with the TC1, TC2, TC3 units:
None.
Compatibility with the TC11:
Whole compatibility provided that groups numbers are lower than 99999.
Compatibility with the TC4:
Whole compatibility provided that groups numbers are lower than 99999 and accounts numbers lower than or equal to 1200.
Compatibility with the TC11N:
Account number and access code are ignored and left as they are, only the value field of TC11N user's card is taken into account. If the user's card has no value field the TC11N displays the message "Unknown card".
Compatibility with the DRC4:
Whole compatibility provided that groups numbers are lower than 99999.
Compatible with reloadable cards only (not for disposable card).
9 INSTALLATION
9.1. MECHANICAL FASTENING
Cartadis TC4N is supplied with a two side adhesive on its bottom. You can use this adhesive to fasten it on a horizontal area of the copier.
If you have ordered the optional bracket you can fasten the TC4N either directly on a copier side or on the wall behind the copier.
9.2. ELECTRICAL CONNECTION
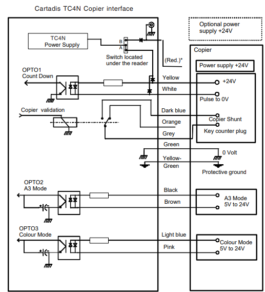
Cartadis TC4N must be connected by a photocopier specialist. TC4N is "seen" by the photocopier as a key counter and has therefore to be connected like a key counter. TC4N has no power pack of its own, it is supplied from the +24V power supply of the photocopier, either through the +24V available on one of the counter pulse terminals or, if this is not present, directly from the +24V photocopier power supply.
When a full galvanic insulation between the Cartadis TC4N and the photocopier is requested either by the end user or by copier manufacturer, an optional external power supply is needed. This power supply has to be connected to the connector located on the rear side of the unit, in that case, the switch accessible from the bottom of the case has to be set to "B" see scheme page 55.
In case one does not want to manage the colour or the A3-size, only 6 wires need to be connected to the copier.

Once copier has been turned off, connect the four wires, YELLOW, WHITE, BLUE, GREY, to "key counter" connector (see diagram next page).
Green 0Volt wire connection:
- If the 0Volt of your copier is linked to mechanical ground, then you can link green wire to mechanical ground for simplicity. - If the 0Volt of your copier is not linked to mechanical ground, which is the case for Ricoh's original copiers (Gestetner, Infotec, Nashua, Rex Rotary...), then green wire must absolutely be linked with the 0Volt of your copier's +24V supply (0Volt is generally available on one of the shunt terminals).
Yellow/green wire connection:
- This wire must always be linked to the copier's mechanical ground.
Once all 6 wires have been connected, TC4N is ready for work, and switching the copier on induces TC4N to also switch on.
Particular case of copiers which do not supply 24V on the counter pulse terminals (some Panasonic copier machines):
The + 24V supply to TC4N has to be established with red wire linked to copier + 24V supply (remaining 6 wires connected as per above). The switch accessible from the bottom of the case has to be set to "B"
Particular case of CANON copiers (analogical):
These copiers do not supply +24V to the card counter plug. Connections have to be achieved as follows:
Case of CANON digital copiers, contact the Cartadis technical deparment

The red wire is not systematically employed
9.3. A3-SIZE OR COLOUR COPIES
The Cartadis TC4N can manage up to four different prices according to the size of the copy made (A4, A3 Black and White or colour). Nevertheless, this feature is only available with copier machines delivering status signals (as the range of copiers Aficio from Ricoh or the digital copiers from Sharp and Konica).
The "mode" parameter from sub-menu "TC4N Parameters" defines the TC4N behaviour, i. e. the electric levels that will debit prices 1 to 4. For the moment, it may have the two following values:
Copier 1
The 2 opto-couplers Opto 2 and Opto 3 (see previous page) enable the TC4N to know the copier current status (A4, A3 Black and White or colour). The price corresponding to the copy-size will be debited from the user's card as soon as the Opto1 has received a pulse.
Copier 2
One pulse on the Opto 1 systematically debits the price 1.
One pulse on the Opto 2 systematically debits the price 2.
One pulse on the Opto 3 systematically debits the price 3.
Other modes may be defined (on the site included); contact the Cartadis technical department if necessary.
9.4. COPIER PARAMETERS
In addition to the above described "mode" parameter, three parameters enable to adapt TC4N to the specific model of copier you have:
PulseFilter:
This parameter represents the minimum number of milliseconds which the copier count down pulse must last to be considered as a valid pulse. This parameter is adjustable between 1 and 999, and is intended for protection against count down pulses with bouncing rising and sinking fronts. For optimal setting of this parameter, you must proceed by trial and error:
- If this parameter is set too high, TC4N may disregard count down pulses.
- If this parameter is set too low, TC4N will count down more copies than were made.
Adjusting "PulseFilter" to the default value 20 milliseconds generally yields good results.
EndCycleWait:
This parameter represents the number of seconds during which TC4N will wait for possible copy pulses, after user has struck any key on the keyboard, before ejecting the card. This time is adjustable from 0 to 99 seconds, it is usually set to 4 (default value).
This parameter is especially useful on copiers which send the "copy pulse" at the end of the copy cycle.
AfterPulseWait:
This parameter enables shunt opening to be delayed once card copy credit reaches 0. This delay is adjustable between 0 and 9 seconds and is useful on some copiers which do not accept shunt opening upon countdown pulse, and therefore often cause paper to jam or copies not to be fully printed, the default value is 0.
To display or to modify these parameters the handlings from the main menu are: 

9.5. INSTALLATION VALIDATION PROCEDURE
When several units are to be installed on the same site, TC4N group numbers may first have to be made compatible, prior to recording any card (see page 39).
Check the power supply voltage by means of the integrated voltmeter (menu "Voltage" from sub-menu "TC4N parameters". It must be contained between 22 and 26 volts.
To check TC4N for correct operation, a user's card must first be recorded (see page 30), then copies must be made by means of this card, and the following items checked:
- An A4 copy counts down one and deducts a single copy on the card; item to be checked in single and multicopy operation. If counting down is wrong, refer to page 56 about "pulse filter" parameter adjustment. If it is preferred not to count down in single units, but in another value, refer to page 37 about "price 1" adjustment.
- According to the installation, check the amounts debited when an A3 copy-size is made in Black and White and maybe in colour.
- Check "End cycle wait" parameter for correct adjustment using the following procedure:
1 - insert a valid user's card,
2 - strike the COPY key on copier and immediately after press a key on TC4N,
3 - check if a copy has been counted down on the card.
10 SERVICE
To get good operation from the unit, the following care is advisable:
- clean rubber driving roller with a cloth soaked in alcohol.
- clean magnetic head with a cleaning card soaked in alcohol.
- dedust reader assembly with a compressed air spray.
- check write error counter.
The frequency of this process depends on the working environment. If Cartadis TC4N is installed in an office, then these operations can be considered as required every 20000 transactions, or every six months if this number of transactions is not reached.
The cleaning process must be carried out with the unit disconnected, this applies also for cover removal and replacement. After cleaning the write error counter must be reset.
In order to easily locate the components to be cleaned, refer to the reader sectional view on the next page.
In case the write error counter is over 5, the unit needs an urgent cleaning. If, after the cleaning process, the unit still has
write error problem the magnetic head must be changed. 
In case of replacement of the electronic board, please read page 62 information about "memory error" and serial number modification.
11 TROUBLESHOOTING
SCREEN REMAINS OFF
It is surely a wiring problem:
- Check green wire connection.
- Copier supplies no +24V on one of counter pulse terminals, then +24V must be supplied via red wire. Check the switch under the reader, see page 55.
NO ENABLE TO COPIER WITH A USER'S CARD
It is surely a wiring problem:
- Check copier SHUNT grey and dark blue wire connection.
NO COUNT DOWN OF COPIES
The problem may come from the wiring or a parameter is misadjusted in TC4N:
- Check yellow and white wires.
- Check 1 and 2 prices.
- Reduce "Pulse Filter" parameter.
TC4N DISPLAYS "MEMORY ERROR"
A memory error has occured as a result of : hardware trouble, major electric interference, disconnected electronic cards, etc. To clear this error, just insert "Administration" card into the unit again.
Attention:
You should not insert the "Administration" card of another TC4N, otherwise unit serial number will change for the one written on this card.
Message "Memory Error" appears when TC4N detects that some information which was stored in its memory has been modified without any reason. This damaged information can be related to statistic counters or internal parameters of TC4N. For greater diagnosis accuracy, TC4N displays a figure after message "Memory Error", which means :
- "1" means that the error lies among: serial number, group 1 to 3, prices 1 and 2, PulseFilter, EndCycleWait, AfterPulseWait, AutoEject, Decimal point, Language. Inserting "Administration" card to clear this error will automatically regenerate all these parameters.
- "2" means that the error lies in counters: Copies, Debit, Credit, Transaction, WriteError. Inserting "Administration" card will clear the error, but not regenerate distorted information. A readout of these counters has to be made in order to check the extent of memory error.
- "3" means that the error is the accumulation of both the above.
In case the counters need to be cleared the following procedure has to be used:
1) Insert Administration card and display the serial number,
2) Press key "C",
3) While the message "modification forbidden" is displayed enter the code : 2 3 4 6 8,
4) After 2 seconds, the message "reset done" is displayed and all the counters are cleared.
In case the electronic board has to be replaced, the new electronic board must be setup with the serial number of the customer's unit. To proceed to this serial number modification the new electronic board must be in "memory error" then the customer's administration card has to be inserted.
In order to switch the TC4N unit in "memory error" two procedures are available depending if you own or not the administration card :
With administration card:
1) Insert Administration card and display the number of transations,
2) Press key "C",
3) While the message "modification forbidden" is displayed enter the code : 2 3 4 6 8,
4) After 2 seconds, the message "memory error 1" is displayed.
Without administration card:
1) Switch off the copier and set a copier shunt by means of any electric wire,
2) Switch the power on,
3) While the software version is displayed press and hold the "C" key,
4) With the "C" key still depressed make a copy,
5) The TC4N displays "memory error 1".
12 LIST of MESSAGES
Blank card : This is a new card, ready for recording
Unknown card : This card has not been read by TC4N in spite of several attempts, it is demagnetized, physically damaged, or it is not an original Cartadis card.
Illegal card : This is a true Cartadis card, but this type of card is not the one presently expected by TC4N. E.g. attempt to record an "Administration" card.
Worn card : Attempt to record a card which has carried out over 3000 transactions.
Card jam : Card is jammed inside the unit for mechanical reasons. Plug TC4N out and in. If message comes on again, cut off power supply, then open cover and pull card out.
Illegal extract : This card has not been recovered from the unit by usual means. This is an attempted fraud or a hardware breakdown.
Write error : TC4N cannot write the new number of copies still available. The number of copies displayed on screen is the balance of copies of this card, it has to be noted and refunded to user. Plug TC4N out and in, generally card is definitively destroyed.
Group error : The magnetic track of this card does not have the same group number as TC4N. The group number of a user's card can be changed by recording it again.
Serial Error : This "Administration" card does not correspond to this TC4N
COUNTER CAPACITIES
Card value
6 digits, i.e. max.: if non-decimal mode 999 999 if decimal mode 9 999.99
Accounts
7 digits, i.e. max.: 9 999 999 or 99 999.99
Counters:
Copy 1 to Copy 4 : 9 digits, i.e. max.: 999 999 999
Debit Credit : 9 digits, i.e. max.: 999 999 999 or 9 999 999,99
Transactions : 7 digits, i.e. max.: 9 999 999
Was this article helpful?
That’s Great!
Thank you for your feedback
Sorry! We couldn't be helpful
Thank you for your feedback
Feedback sent
We appreciate your effort and will try to fix the article